随着IMO的EEXI、CII等法规持续收紧,以调距桨为代表的高效推进装置被寄予降低燃油消耗和排放的重要期望。
船舶推进系统多基于新船试航或台架试验确定的船–机–桨匹配曲线,仅在设计工况附近具有较好的燃油经济性。船体污损、桨叶磨损或变形以及风浪流干扰等因素会显著改变推进特性曲线,目前的推进控制系统缺乏性能在线辨识与自适应能力,尤其缺乏“以船速为核心”的闭环推进控制功能,船舶航速与主机控制之间缺少统一的闭环控制与多变量协调机制。双机双桨船舶推进负荷难以自动均衡,易导致船舶偏航与频繁操车,不利于燃油经济性与设备寿命。
基于上述痛点,本成果“调距桨复合控制–推进负荷动态限制–双桨推进均衡控制”三个关键环节,提出了一套船舶调距桨推进复合控制,为绿色智能船舶航行控制提供技术支撑。
二、技术原理与创新点
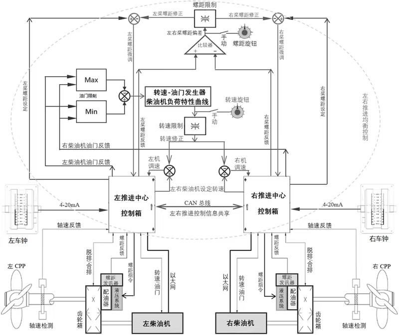
(1)调距桨推进均衡控制
调距桨推进均衡控制系统包括船舶推进装置、转速调节模块和螺距调节模块。左右推进装置协同控制并同步连接转速-螺距调节模块,转速-油门调节实现左右柴油机负荷均衡,螺距调节实现左右调距桨螺距均衡。该方法创新之处在解决传统双桨推进系统中需同时操作两个车钟手柄、左右主机燃油齿条刻度和左右调距桨螺距难以保持一致,从而造成推进负荷不均衡、船舶偏航、频繁操车和操舵等问题。

图1 调距桨推进均衡控制图
(2)调距桨推进动态限制控制
基于柴油机、调距螺旋桨和船体外特性之间的关系,建立推进负荷限制曲线,将不同轴转速对应的最大允许燃油齿条格数作为限制依据,机桨控制模块、螺距调节模块和油门调节模块,实现推进负荷的动态限制与修正,确保柴油机安全、节油并保持转速稳定。

图2 调距桨推进动态限制控制图
(3)调距桨推进的转速-螺距复合控制
设计外环船舶航速控制、中环柴油机转速/功率控制、内环柴油机油门(喷油量)控制和螺距控制的架构,建立手柄位置–转速–螺距多维空间曲线,根据推进模式、手柄位置和航速闭环控制结果统一调节的复合控制函数,提高调距桨推进性能的可调性和可观测性。

图3 调距桨推进转速-螺距复合控制图
三、技术优势与竞争力
本项目依托调距桨推进均衡控制、动态限制控制以及转速–螺距复合控制,系统化集成调距桨推进控制应用技术,在节能降耗、主机安全运行、操纵便捷性以及性能自适应能力等方面具有突出的综合优势。
首先,在系统层面,本项目构建了从双桨负荷均衡、推进负荷动态限制到转速–螺距复合控制的“端到端”控制链路,相比传统仅依赖机桨联控或简单转速控制的方案,更加注重船–机–桨整体匹配及多变量协调控制。通过均衡控制技术实现左右推进装置负荷与螺距的自动均衡,动态限制控制技术实现推进负荷上限的自适应约束,转速–螺距复合控制技术实现船速、转速与螺距的一体化调节,从而在保证安全的前提下充分发挥调距桨的效率优势。
其次,在节能与安全方面,本项目在调距桨推进控制中引入推进负荷限制曲线和燃油、螺距双重约束机制,能够在不同工况、海况下抑制柴油机过载和转速大幅波动,减少油门频繁动作,兼顾主机安全裕度与燃油经济性。双桨均衡控制减少因推进负荷不均造成的船舶偏航和附加操舵阻力,进一步降低不必要的能量损失。转速–螺距复合控制通过优化转速与螺距组合,使船–机–桨尽可能长期运行在高效工况区间,有利于降低单位运输能耗和运行成本。
再次,在智能化和运维友好性方面,本项目通过多维空间控制函数和特性曲线的构建,实现调距桨推进状态空间的可视化,能够将手柄位置、轴转速、螺距以及推进负荷等关键信息直观呈现,为驾驶与轮机人员提供清晰的工况识别与决策依据。推进动态限制与均衡控制模块均预留了信号接口和参数整定接口,可与能效管理系统、智能运维平台等进行数据交互,为后续引入工况识别、故障诊断和自学习优化算法打下基础,具备向智能推进控制系统升级的良好延展性。
最后,在工程应用与推广方面,三项技术在结构设计上充分考虑与现有车钟系统、柴油机调速器、调距桨液压系统及船舶自动化系统之间的接口兼容,可通过软件逻辑改造与局部硬件增设实现新造船配套与在役船改造两类应用模式。改造对原有推进机构的影响较小,实施风险可控,便于在大批量配备调距桨的船队中推广应用,为船东提供成本可接受、收益可预期的推进控制升级路径,从而形成良好的市场竞争力和应用前景。
四、应用场景与市场前景
本成果形成的调距桨推进均衡控制、动态限制控制以及转速—螺距复合控制三项技术成果,既可分别配置于不同类型船舶的推进控制系统中,也可在同一平台上集成部署,构建覆盖“均衡—限制—复合控制”的一体化调距桨推进智能控制方案。依托现有调距桨装备用量和在役船队能效改造需求,上述技术在新造船配套和存量船舶升级改造中均具有广泛的适用空间和良好的推广前景,为船舶节能减排、主机安全运行及智能航行提供重要支撑。本成果在应用场景方面与市场前景方面给出了具体分析如下。
在应用场景方面。首先,对于调距桨推进船舶,如大中型沿海及远洋货船、多用途船、工程船、客滚船等,可重点应用转速–螺距复合控制与动态负荷限制技术,实现节能与安全的统一。其次,对于双机双桨CPP推进船舶,如拖轮、破冰船、大型客滚船、军辅船和特种公务船等,可重点应用均衡协同控制技术,解决长航线条件下负荷不均和偏航问题。再次,对于重点监管与高价值船舶,如LNG动力船、近零排放示范船和高价值工程船等,对推进安全性、可靠性和能效有更高要求,适合作为本技术的示范应用对象。最后,在役船能效改造与智能化升级等,通过改造车钟控制逻辑、增设推进控制模块和可视化终端,可在不大幅改动原有推进机构的前提下,实现在役船舶调距桨推进系统的智能化升级。
在市场前景方面。首先,对于政策驱动的能效与减排刚性需求部分,在EEXI、CII及各类港口低碳运营规范约束下,调距桨推进系统凭借其高效与可调节特性将持续得到船东青睐,而如何通过先进控制技术最大化发挥CPP的节能潜力,成为刚性需求。其次,对于庞大的存量船队改造空间部分,现有大量装配调距桨的船舶在设计之初并未充分考虑智能控制和动态负荷限制,本成果可为这类船舶提供“控制系统升级包”,市场空间广阔。再次,对于国产化与自主可控需求部分,在高端船舶配套设备国产化的大背景下,拥有自主知识产权的调距桨推进智能控制技术有望在国内新造船和改装市场中形成差异化竞争优势,带动相关控制系统、传感器和执行机构等产业链发展。最后,对于智慧船舶和无人船拓展的潜力部分,本成果在架构上已具备与自动驾驶、能效管理和远程监控系统的接口条件,可作为智慧船舶推进控制子系统的重要组成部分,未来可进一步向无人船、远程操控船舶等新业态拓展应用。
五、相关专利
1.一种调距桨推进均衡控制系统及方法,ZL2024116971733;
2.一种调距桨推进动态限制控制系统及其方法,ZL202411900157X;
3.一种调距桨推进的转速-螺距复合控制方法及系统,ZL2025100825110。
